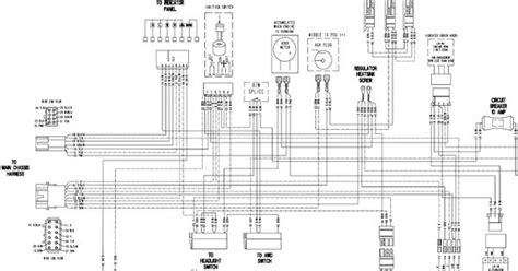
Polaris Ranger Wiring Harness
File Name: Polaris Ranger Wiring Harness.pdf
Size: 6796 KB
Type: PDF, ePub, eBook
Category: Book
Uploaded: 2020 Oct 16, 16:27 Rating: 4.6/5 from 695 votes.

Status: AVAILABLE

Last checked: 52 Minutes ago!

In order to read or download Polaris Ranger Wiring Harness ebook, you need to create a FREE account.

Download Now!

eBook includes PDF, ePub and Kindle version

In order to read or download Polaris Ranger Wiring Harness Book Mediafile Free File Sharing ebook, you need to create a FREE account.

Download Now!

eBook includes PDF, ePub and Kindle version